
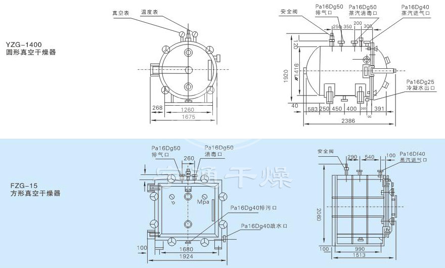
Вакуумные сушилки серии YZG / FZG являются статическими вакуумными сушилками. Устройство для сушки нагревает сухие материалы в вакуумных условиях и использует вакуумные насосы для извлечения воздуха и воды, оставляя студию в вакууме. Это значительно ускоряет высыхание материала и экономит энергию. Если используется конденсатор, растворитель в материале может быть переработан с помощью конденсатора. Если растворителем является вода, можно опустить конденсатор и сэкономить инвестиции в энергию.


1、Температура кипения раствора материала уменьшается в вакууме, что увеличивает тепловой привод испарителя, тем самым экономя площадь теплообмена испарителя для определенного количества теплопередачи.
2、Источником тепла при испарении может быть пар низкого давления или отработанный пар.
3、Испарители теряют меньше тепла и могут достигать более высоких скоростей сушки при более низких температурах, в полной мере используя тепло.
4、При низких температурах могут высыхать нестабильные или термочувствительные материалы, а также материалы, содержащие растворители и требующие рекуперации растворителями.
5、Перед сушкой может быть проведена дезинфекция, в процессе сушки нет инородного смешивания, в соответствии с требованиями GMP.
6、Он относится к статической вакуумной сушилке, поэтому форма сухого материала не повреждена.
7、Использование конденсаторов позволяет эффективно извлекать растворители из материалов.


Подходит для низкотемпературной сушки термочувствительных материалов, которые легко разлагаются, полируются и портятся при высоких температурах и широко используются в фармацевтической, химической, пищевой и электронной промышленности.

Приведенные выше данные. Только для информации. При наличии особых требований наш завод предоставляет проектно - консалтинговые услуги.


Предыдущая статья:барабанная сушилка серии HG
Следующий пост:Серия GXG